锂电池具有体积小、容量大、重量轻等优点,被广泛应用于手机、电脑、家电、电动汽车和储能市场等众多领域,不断焕发出旺盛的生命力。
锂电池和18650电池鼻祖——曾经的索尼锂电池
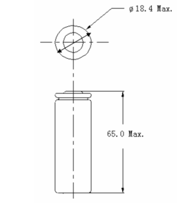
早在1991年,索尼公司就发布了首个商用锂离子电池。同时,索尼公司根据多年开发经验,综合考虑后定下了一种标准电池型号:直径为18mm,长度为65mm的圆柱形电池——也就是我们今天常说的18650锂电池。

之后,这种圆柱形的锂离子电池彻底革新了消费电子产品的面貌。小到充电宝,大到汽车,这种圆柱形电池无时不刻不在影响着我们生活的方方面面。
今天,松下,三星,LG,比克,力神等知名的电池工厂仍然在24小时不停地生产着这种有着近30年历史的产品。而当年的鼻祖——索尼却已经渐渐地消失在了人们的视野之中。
涅槃重生后的再出发——现在的村田锂电事业
2017年9月1日,索尼正式公告宣布已完成索尼集团电池业务向MLCC等电子元器件龙头企业村田制作所(以下简称“村田”)的转让。同年11月,索尼在国内的工厂“索尼电子(无锡)有限公司”正式更名为“村田新能源(无锡)有限公司”。至此,“索尼锂电”涅槃重生为“村田锂电”,踏上了复兴之路。
今年2月8日,村田创新智造园新增11.1亿美元项目签约落户无锡高新区。村田创新智造园由村田集团投资建设,是村田集团打造的以产业资源集聚、行业引领和示范为一体的创新型园区。根据规划,村田创新智造园将建设村田电子元器件新工厂和新能源锂电池新工厂两大全新的生产制造基地,整体投资规模从现有的14.5亿美元增加至25.6亿美元。项目建成达产后,产值规模将从现在的125亿元增加到200亿元。

2018年8月8日,村田新能源(无锡)有限公司第四工厂举行竣工典礼,该工厂预计在2019年1月正式投产。
据了解,新工厂主要提供轻薄型锂电池产品,生产的锂电池产品可以供应智能手机、移动终端、电动工具等市场,此外还可以应用于相机、平板电脑、笔记本电脑、电动自行车、吸尘器、游戏机等。此前,村田在智能手机零部件业务的生产和制造领域取得了不俗的成绩,随着手机行业增长放缓,村田开始逐步将业务领域从移动通信拓展到汽车、医疗与新能源领域,收购索尼锂电业务将帮助村田进一步实现业务的增长和扩张。
村田锂电的新发展和新方向
据村田相关人员透露,目前村田圆柱电池产品序列大致分为三元圆柱VTC系列和磷酸铁锂圆柱FTC系列两大类。
VTC系列产品在国内主要提供给全球顶尖的电动工具公司和无线吸尘器公司。随着村田集团不断在汽车和医疗等行业加大开拓力度,今后村田三元圆柱也会在各种电动车辆和医疗辅助器械上开拓新的市场。
村田FTC系列产品除了在传统的ESS储能市场发力外,也凭借其高达14000次的充放电循环性能,极佳的高温耐久性以及高安全性等优势,在物流车辆和专用车辆市场上已经获得了国际叉车巨头的青睐。今后,村田将进一步开拓高端AGV等智能物流市场,以及对安全性和耐久性有着极高要求的专用车辆市场。

左26650FTC,右18650VTC
另外,受到特斯拉开发21700的影响,市场对21700的需求和接受度都在不断增加,村田也在积极布局21700的产品线,目前开发已经接近尾声,明年有望实现量产。据了解,目前村田21700锂电池的初步设计目标是,单电芯容量在4000mAh以上,连续放电电流在40A以上。

村田的21700三元锂电池
布局5G/IoT市场
此外,在村田集团传统优势的通信领域,也活跃着村田锂电池的身影。
据了解,除了传统的手机锂电池以外,为了针对今后5G和IoT等应用的用电需求特点,村田还特别开发了大功率和宽温域的IoT专用纽扣电池,主要应用于LPWA设备和户外复杂环境中的IoT设备。


在收购索尼锂电业务后,村田计划将该电池业务作为能源业务的核心进行运营,为未来进入新能源领域的目标做足准备。今后,村田还将进一步加大研发,发挥技术优势,不断丰富产品种类,引领创新潮流,为电子行业的可持续发展贡献力量。

电池网微信












